功率因素校正器PEC之測試
一、 緣由:
近年來,由於電子、電腦產品已十分普遍,同時,環保意識亦日益受到重視,因此對於電子、電腦產品耗電電流所產生諧波電流,亦視為欲改善的項目。一般電子、電腦產品的電源,除使用電池外,均來自市電,由於其電源之電路結構為使用二極體整流、濾波後再經電流轉換電路,如圖一所示,因而造成雖然輸入電壓波形為正弦波,但輸入電流波形卻為脈衝式波形,由整流二極體與濾波電容器所組成的電路,造成為交流電壓的瞬時值大於濾波電容器的電壓時,整流二極體才導通,所以形成僅在輸入電壓的峰值大於濾波電容器上的電壓值時,才能輸入電流造成輸入脈衝電流波形的現象,故形成諧波電流及功率因素偏低(一般為0.6~0.7)的結果。
圖一 : 全橋式二極体整流器電路及其電壓電流波形
上述的結果與理想的無諧波電流(功率因素為1.0)有明顯的差異,導致用電效率的降低,如表一內,一般電源供應器從1440VA容量之市電中其功率因素為 0.65,到負載可用之功率為 702W,但具有PFC能力的電源供應器, 其輸入功率因素可達 0.99,到負載可用之功率為 1015W。另外歐洲CE MARK已明文要求超過300W(日後還要降低)耗電量的產品,必須符 合其諧波電流限制之要求,也就是需提高功率因素(約至0.95以上)才能符合CE要求,也才能在歐洲銷售。目前除歐洲對外,其餘國家亦正研擬將這些要求列入法規中,因此要求降低電源電流諧波,提高功率因素已是全球的環保趨勢。
(表一)典型的電源供應器輸入電路與波形
表一係以傳統的整流濾波電路與PFC校正電路的電源供應器之比較,在一個傳統的 15A、120V市電電路中,UL規定在 15A 斷路器之容量下其連續RMS電流值,必須低於12A,才能符合UL的安規要求,因此只有 1440VA 的容量可使用,於考慮一般的能源轉換效率及差勁的功率因素後,得到僅有702W的功率能轉換到負載上,(1440*0.75*0.65= 702W),然而有PFC前端電路之電源供應器,便能提升到1015W的功率轉換到負載上.故由此可看出,提升設備功率因素,便能提昇用電效率及減少電流諧波干擾,進而減緩對新電廠的需求,對於日益重視環保的趨勢下,確有其意義。
二、 因應之道:
傳統的電機產品,如馬達等電感性產品,其功率因素之提升靠並聯電容器使負載呈現阻抗,便可提升改善,但現在的電子、電腦產品屬於整流性的負載,其電流波形不像電感性負載,仍為正弦波,而是脈衝波形,因此無法僅靠並聯電容器便可達到提高功率的效果。實務上,對於整流性負載之電子、電腦產品,為提高功率因素,可分為被動式及主動式功率因素校正器兩種方式。 被動式係使用電感器 (如圖二)、電容器(如圖三)所組成的網路來降低諧波電流,因電源頻率為 50 或 60HZ 的低頻,故需體積不小的電感與電容器,另外功率因素提升的效果較差,改良的成果較有限,因此甚少採用。圖二輸入端的電感工作頻率為電源頻率(50/60Hz),因為電感可以抑制電流的突然變化,所以輸入電流的波形會比較平滑。圖三則是利用部份平坦的電路架構,來改善功率因素。其原理乃是延長電源電壓大於輸出電壓的範圍,根據二極體導通的條件,輸入電流的波形將變的較平坦。

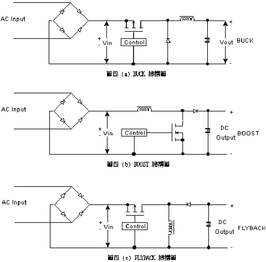
其基本工作原理為調整輸入電流之波形與其輸入電壓波形相同,如此便可達到功率因素為1的目標,目前已有多晶片廠商提供PFC控制IC,僅要外加功率電晶體,電感器等少數外部零件,便可組成一個主動式功率因素調整器,如圖四 (b) BOOST結構功因素調整器為昇壓型式,即輸入電壓範圍可從 90Vdc 到 264V 不需另外開關切換選擇範圍,成為一全球電壓通用的型式,這是功率因素調整器的一項重要附加價值,而功率因素調整器的輸出約為380Vdc內含10Vp-p及(50/60HZ漣波及高頻雜訊)的成份信號。
內含PFC的電源供應器如下圖五及圖六所示。
3.1 驗証內含PFC之電源供應器(如圖五)時,需對其輸入與輸出做多項之測試。其中包括輸入電壓對輸入功率因素調整率:為輸入電壓變化時,對輸入功率因素的變化率。 輸出負載對功率因素調整率:為負載電流變化時,對輸入之功率因素變化率。 綜合輸入功率因素調整率:為輸入電壓與輸出負載一起變化時,對輸入功率因素的變化率。
3.2 以上輸入電壓之變化可用自耦變壓器或交流電源來改變輸入電壓以便模擬實際上可能的變化,例如 90~115~132 或 180~230~264 或 90~115~264 或 90~230~264等各種電壓之組合。
3.3 而輸入功率之測量便需要精密功率錶,如博計的4010/4011精密功率錶,此錶必須在 90V~264V 電壓範圍內,都要有一致性的精度,才能在不同輸入電流大小下獲得可靠的結果。
3.4 在輸出負載上可使用直流電子負載來模擬各種不同負載的狀況。
3.5 以上係使用電源供應器整體測試,來驗証PFC的效能,是屬於較間接的驗証方式,因為負載變化時,是經由圖五(b)的Switching regulator,若Switching regulator有異常現象狀況時,對圖五(a)項PFC的驗証可能就有偏差了!此測試
3.6 所以下面介紹另一個測試方法 對圖六的PFC部份單獨做驗証,此時僅輸出的負載,改由500V高壓電子負載來模擬圖五(b)的Switching regulator 及DC output Current,因此可以很確實地對PFC調整器做輸入電壓,輸出負載及綜合輸入功率調整率之驗証。此時僅使用高壓電子負載如博計的Model 3314D、3254、3255、3500等產品便可直接做測試與驗証PFC的效能。此測試方法於工程開發時對PFC之測試與驗証,及生產中對PFC半成品測試均十分適合。
四、 測試儀器:
博計電子一直致力於電力電子測試儀表的發展,對於 PFC 測試所需之儀器亦提供最佳的整體解決方案:精密數位化功率錶 與高壓500V電子負載。
精密數位化功率錶Model 4010/4011係採用對電壓電流波形同時數位取樣,再依據 RMS、Watt 及 PF 的原理,運用微處理器計算出精確度高達 0.1% 的RMS電壓、電流、瓦特及誤差低於+/-0.002 digit的功率因素,具有在寬廣電壓與電流範圍下的高精確度及一致性,這是目前市場上測量最精確且價格合理的精密功率錶。
高壓500V電子負載Model 3314D、3254、3255,為博計專為PFC輸出測試所設計的500V高壓電子負載,其中3314D專供300W以下,3254專供1200W以下,而3255為專供1800W以下之負載測試。
上述高壓電子負載具定電流及定電阻模式,具有電壓、電流、功率及伏安電錶,讓您很容易讀出PFC的輸出電壓、電流、功率,再與數位化功率錶所測量的輸入功率一比,便可計算出PFC的效率,另有Model3500則供5KW以下之測試用。
上述之PFC測試儀器已由數家電源供應廠採用並頗受好評,歡迎有此測試需求者與本公司業務聯絡。